Bạn đã xem
Cảm biến hồng ngoại (IR Sensor) là gì? Nguyên lý và ứng dụng
Cảm biến hồng ngoại (IR Sensor) là một trong những loại cảm biến phổ biến nhất trong đời sống, công nghiệp và các hệ thống tự động hóa. Nhờ khả năng phát hiện bức xạ hồng ngoại từ người, động vật hoặc vật thể, IR Sensor được ứng dụng trong hàng loạt thiết bị như: đèn tự động, bếp hồng ngoại, chống trộm, cửa tự động, camera an ninh, thiết bị y tế, và cả thiên văn học.
Bài viết dưới đây sẽ giúp bạn hiểu rõ IR Sensor là gì, cấu tạo, nguyên lý hoạt động, phân loại, ưu – nhược điểm và cách lắp đặt cho người mới.

I. Cảm biến hồng ngoại (IR Sensor) là gì?
Cảm biến hồng ngoại (Infrared Sensor – IR Sensor) là thiết bị tự động dùng để phát và thu bức xạ hồng ngoại, qua đó phát hiện:
- chuyển động
- vật thể
- sự thay đổi nhiệt độ
- biến thiên năng lượng hồng ngoại
Bức xạ hồng ngoại là ánh sáng mắt người không nhìn thấy được, nhưng mọi vật thể có nhiệt độ trên 5°C đều phát ra.
Nhờ nguyên lý này, IR Sensor hoạt động hiệu quả trong nhiều thiết bị thông minh.

II. Cấu tạo cảm biến hồng ngoại IR Sensor
Một IR Sensor tiêu chuẩn gồm 4 thành phần chính:
LED phát hồng ngoại (IR LED)
- Tạo ra chùm tia IR hướng về phía vật thể.
Bộ thu hồng ngoại (Photodiode / Phototransistor)
- Thu nhận tia phản xạ hoặc tia trực tiếp đến từ LED phát.
Điện trở (Resistor)
- Hạn dòng cho LED, tránh cháy nổ.
Mạch kết nối – dây dẫn
- Giúp cảm biến truyền tín hiệu ổn định về bộ xử lý.
Cấu tạo đơn giản nhưng cho độ nhạy rất cao, dễ sản xuất và có chi phí thấp.

III. Sơ đồ mạch và nguyên lý hoạt động của IR Sensor
Cách mạch hoạt động
- LED phát luôn tạo chùm tia hồng ngoại.
- Bộ thu IR có nội trở lớn. Khi nhận tia IR đủ mạnh → nội trở giảm.
- Điện áp đầu vào op-amp thay đổi → xuất tín hiệu 0 hoặc 1.
Giải thích đơn giản:
- Có vật thể → tia IR phản xạ mạnh → cảm biến nhận tín hiệu → kích hoạt đèn/còi/mạch điều khiển.
- Không có vật thể → tín hiệu yếu → mạch không kích hoạt.
Các thành phần mạch quan trọng:
- Op-amp comparator: So sánh mức điện áp.
- R1, R2, R4: Ổn định dòng điện.
- Biến trở R3: Điều chỉnh độ nhạy của cảm biến.

IV. Nguyên lý hoạt động của cảm biến hồng ngoại
Nguyên lý chung:
- Tất cả vật thể tỏa nhiệt → tạo bức xạ IR.
- Khi có người hoặc vật chuyển động, lượng bức xạ thay đổi → cảm biến phát hiện.
- Mạch xử lý → tạo tín hiệu điều khiển thiết bị: bật đèn, mở cửa, kích báo động…
Hoạt động nhanh – nhạy – tiêu thụ điện thấp.
V. Ứng dụng của cảm biến hồng ngoại
IR Sensor được sử dụng trong hơn 20 ngành khác nhau:
1. Bật tắt đèn tự động
- Lắp ở hành lang, WC, cầu thang, cửa ra vào.
2. Bếp hồng ngoại
- Cảm biến hồng ngoại giúp kiểm soát nhiệt tốt cho bếp hồng ngoại.

3. Hệ thống chống trộm
- Khi có người xâm nhập, cảm biến kích còi báo động.
4. Cửa tự động
- Thường gặp trong trung tâm thương mại, cửa tòa nhà.
5. Truyền tín hiệu điều khiển từ xa
- Remote TV, điều hòa, đầu DVD, IR Blaster điện thoại.
6. Camera nhìn đêm
- Ứng dụng trong an ninh và quân sự.
7. Thiên văn học
- Tạo kính thiên văn hồng ngoại, máy dò IR để quan sát vũ trụ.
8. Phục chế nghệ thuật
- Phân tích lớp tranh, xác định tuổi đời và thật – giả.
9. Ngành môi trường – y học
- Phân tích khí – nước
- Máy dò khí độc
- Thiết bị gây mê
- Phân tích độ ẩm
- An toàn đường sắt
Ứng dụng đa dạng, giá thành rẻ → phù hợp từ gia đình đến công nghiệp.
VI. Các loại cảm biến hồng ngoại
Hiện nay IR Sensor gồm 2 loại chính:
1. Cảm biến hồng ngoại chủ động (Active IR Sensor)
-
Có LED phát + bộ thu.
- Chủ động phát tia IR → nhận phản xạ từ vật thể.
- Dùng trong: robot, barrier chống trộm, cảm biến vật cản.
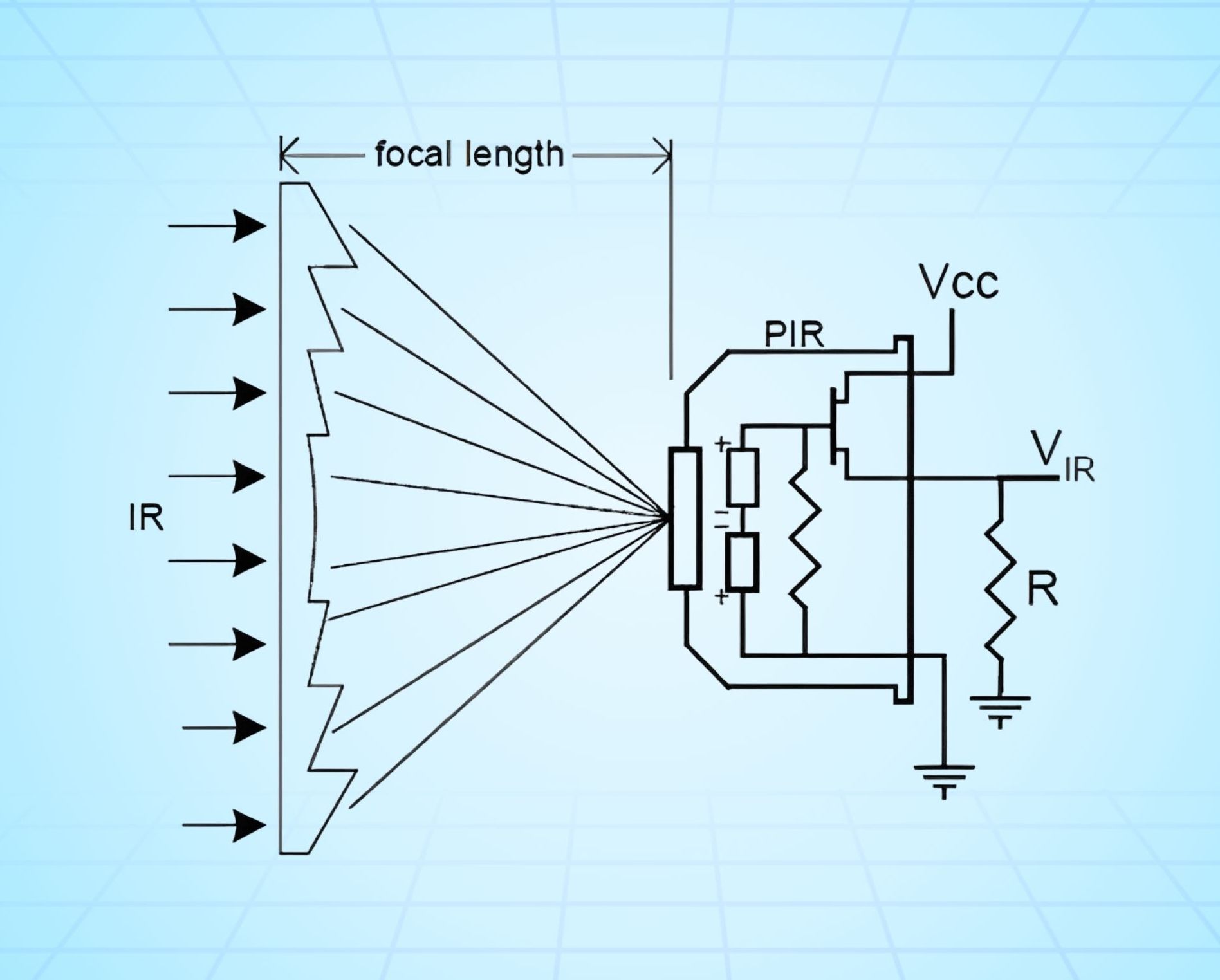
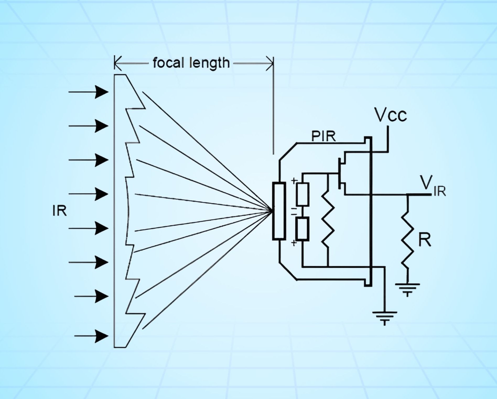
2. Cảm biến hồng ngoại thụ động (PIR Sensor – Passive Infrared Sensor)
- Không phát tia.
- Chỉ thu bức xạ từ cơ thể người/động vật.
- Dùng trong đèn tự động, báo trộm, camera an ninh.
VII. Ưu – nhược điểm của cảm biến hồng ngoại
Ưu điểm
- Độ nhạy cao
- Dễ lắp đặt – cấu tạo đơn giản
- Xác định vật thể nhanh
- Giá thành rẻ
- Ứng dụng linh hoạt
Nhược điểm
- Dễ nhiễu khi môi trường quá nóng
- Góc quét hạn chế (vùng chết)
- Đôi khi kích nhầm do vật thể nóng hoặc chuyển động nhỏ
Cảm biến hồng ngoại (IR Sensor) là giải pháp tối ưu cho các hệ thống tự động hóa, tiết kiệm điện, an ninh, và điều khiển thông minh. Với cấu tạo đơn giản – chi phí thấp – độ nhạy cao, IR Sensor ngày càng phổ biến trong gia đình, công nghiệp, y tế và khoa học.

